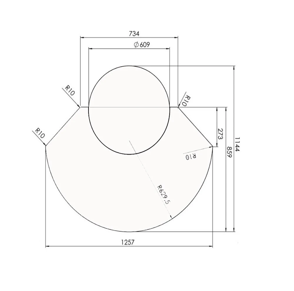
Vorlegeplatte Universal 2 aus ESG Klarglas
- aus 6 mm Einscheibensicherheitsglas (ESG)
- 2-teilig für Sommer – und Wintersaison
- vorderes Teil bei Nichtbetrieb zur Seite stellen
- gefertigt gemäß DIN 12150
- geschliffene Kanten
- thermisch vorgespanntes Klarglas
- hohe Temperaturwechselbeständigkeit
- hohe Schlag- und Bruchfestigkeit

















Rezensionen
Es gibt noch keine Rezensionen.